• Anasayfa
  • Kurumsal
    • Hakkımızda
    • Haberler
    • İnsan Kaynakları
    • Belge ve Kataloglar
    • Referanslar
  • Projelerimiz
  • Ürünlerimiz
    • Altyapı Ürünleri
    • Üstyapı Ürünleri
    • Ahır Izgarası
    • Beton Mobilyalar
    • Cephe Kaplama
  • Neden Beton?
  • İletişim

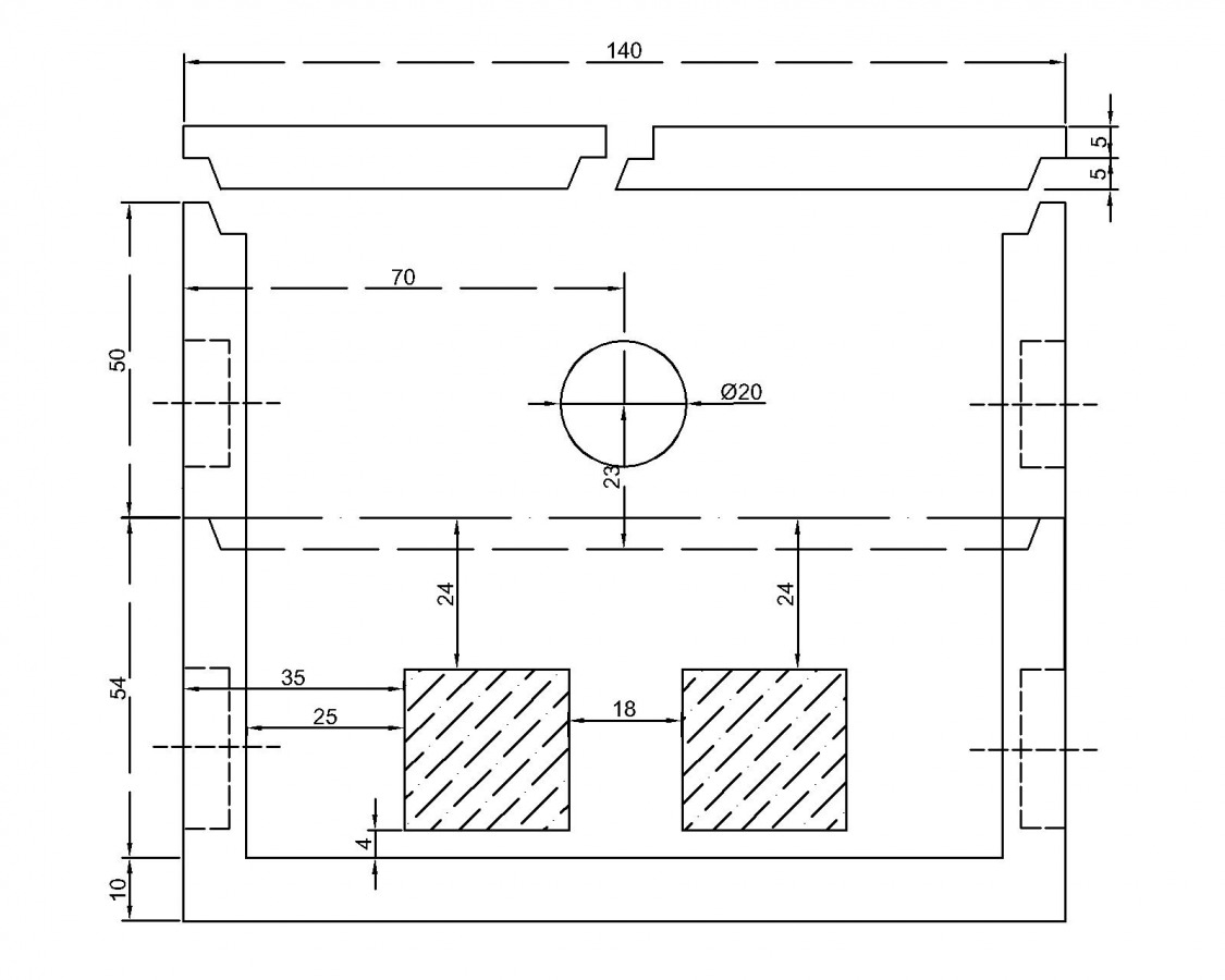
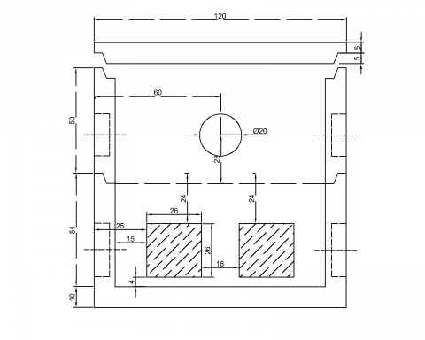
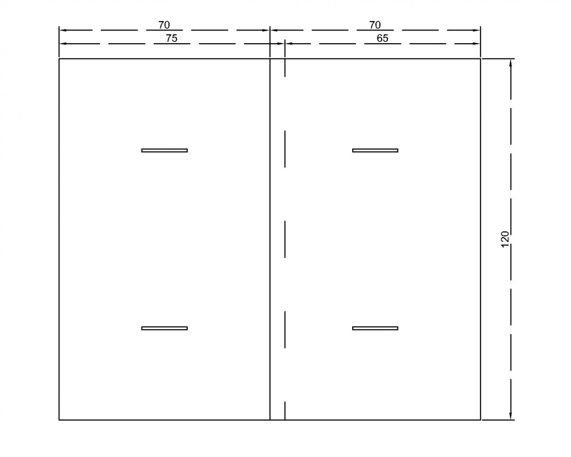
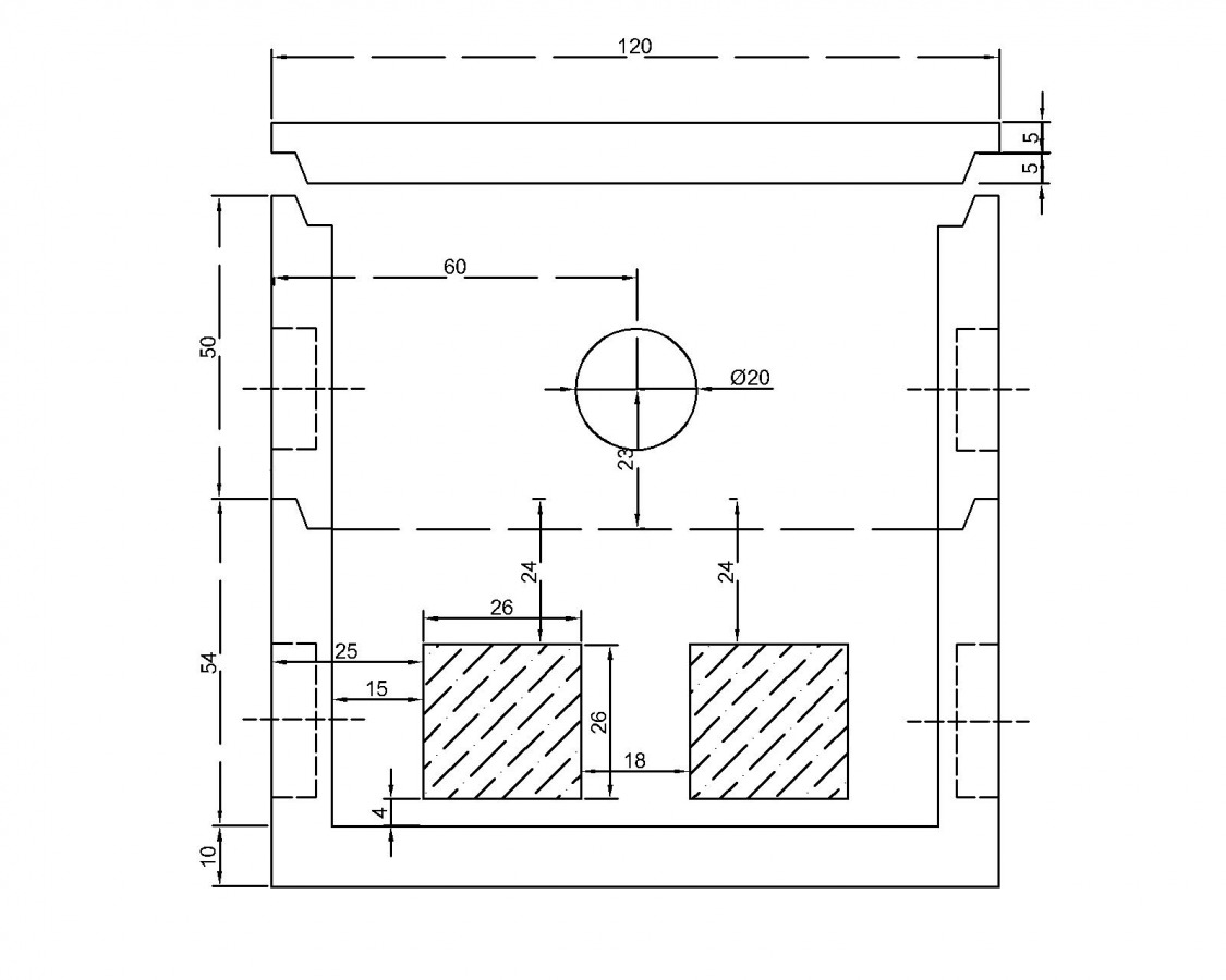
Elektrik Hattı Bacası

  • Altyapı Ürünleri
    • Beton Borular
    • Muayene Bacası
    • Parsel Bacası
    • Kutu Menfez
    • Elektrik Hattı Bacası
    • Yağmur Suyu Bacası
  • Üstyapı Ürünleri
    • Beton Bariyer
    • Bahçe Duvarı
    • Poligon Taşı
  • Ahır Izgarası
  • Beton Mobilyalar
    • Beton Masalar
    • Çiçeklik
    • Antik Ürünler
    • Aksesuarlar

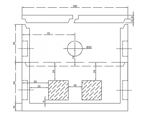
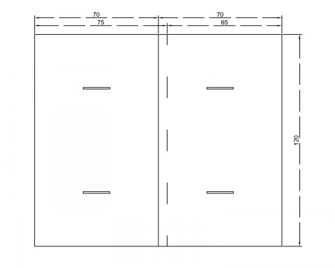
Elektrik Hattı Baca Kapağı

Elektrik hattı kablo kanalları için muayene bacası

Katalog görüntüle

Copyright © 2020 - 2026 Vardar Beton Sanayi ve İnşaat Ltd. Şti.

Webkokteyli tarafından ile tasarlandı

Proud member of Concrete Cooperation